1
1

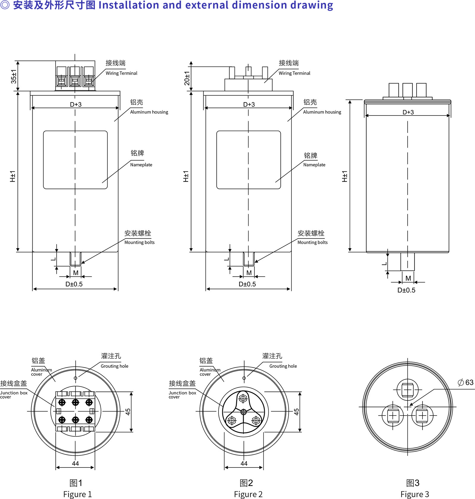
BSMJY0.45-30-3 自愈式并联电力电容器

  1. BSMJ圆柱形自愈式低压并联电容器用于频率50Hz或60Hz低压电力系统设备的功率因数校正,适用于常规就地补偿和集中自动补偿,能够减少无功损耗、改善电压质量,是国家大力推荐的节能产品。

1.jpg

2.jpg

3.jpg

4.jpg

阿斯麦尔控股有限公司

180-6625-0353

(联系电话 7×24)